AC gear motor
Brief description : AC gear motor
Category : Pellet stove motor
Release date : 2025-04-10
Clicks : 13296
Detailed Introduction
Echnical requirements
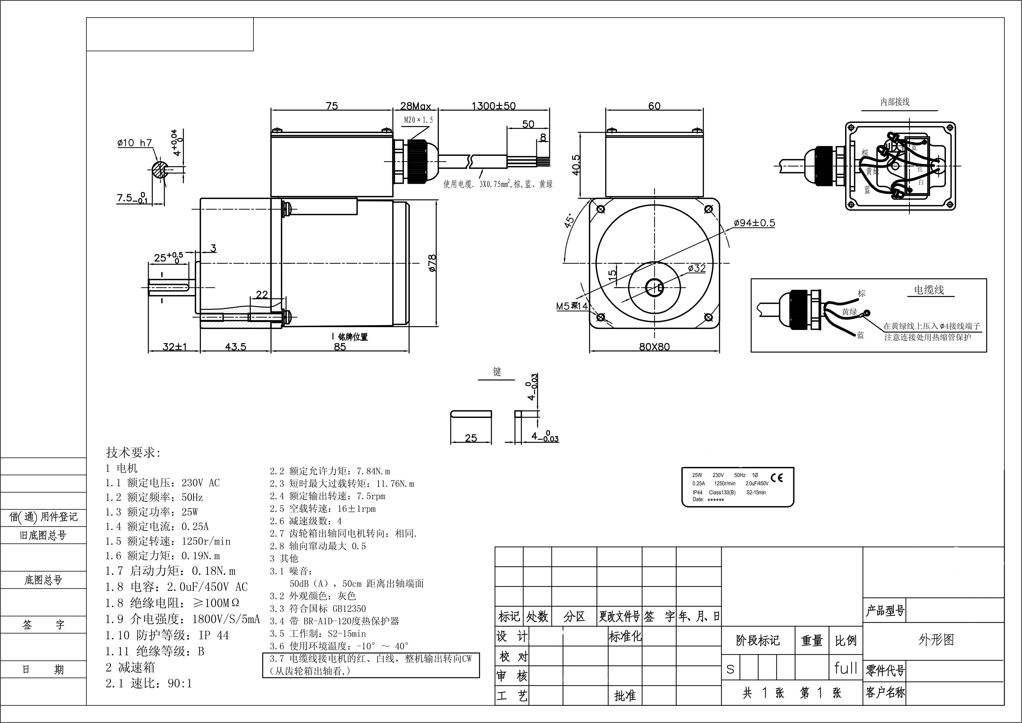
1 motor
1.1rated voltage:230V AC
1.2rated frequency:50Hz
1.3rated power:25W
1.4rated current:0.25A
1.5rated speed:1250r/min
1.6rated torque:0.19N.m
1.7start torque:0.18N.m
1.8capacitor:2.0uF/450V AC
1.9insulation resistance:≥100MΩ
1.10dielectric strength:1800V/S/5mA
1.11IP grade:IP44
1.12 Insulation class:B
2 gearbox
2.1 speed ratio:90:1
2.2 rated allowable torque:7.84N.m
2.3 short-time maximum overload torque:11.76N.m
2.4 rated output speed:7.5rpm
2.5 no-load speed:16±1rpm
2.6 gearbox stage:4
2.7 direction of gearbox shaft is same with motor
2.8 axial float maximum:0.5
3 others
3.1 noise:50dB(A),50cm distance from shaft end
3.2 appearance colour:gray
3.3 conform to national standard:GB12350
3.4 with BR-A1D-120°thermal protector
3.5 working duty:S2-15min
3.6 ambient temperature:-10°~40°
3.7 cable connect to the red,blue line of motor,the complet motor direction is CCW(from gearbox shaft)
